Главная > Продукты > Датчик веса > S-тип тензодатчика на 500 кг. Цены на тензодатчик для измерения растягивающей и сжимающей нагрузки
S-тип тензодатчика на 500 кг. Цены на тензодатчик для измерения растягивающей и сжимающей нагрузки
- T/T Кредитная карта
Вам может понравиться
-
CALT s type load cell 5KG 5T
-
TSC-500 TSC-300 TSC-50 TSC-100 TSC-200 TSC-1000 КГ тензодатчик
-
Дешевый весовой датчик (силоизмеритель) S-Type малой емкости на 1000 кг
-
Китайский весовой датчик тензодатчик 50 кг S-типа для малогабаритных весов
-
DYLY-103 датчики измерения веса на растяжение и давление с нагрузочной ячейкой на 200 кг
-
DYLY-103 электронные весы с тензодатчиком на 500 кг
Описание продукта
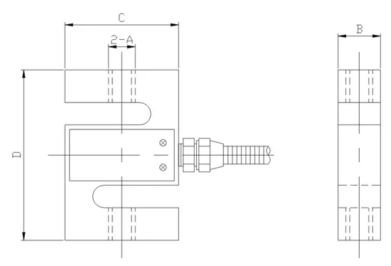
S-тип 500 кг. Цены на тензодатчик. Сенсор растягивающего и сжимающего усилия (тензодатчик)
Используется S-образная структура, подходит для измерения как растягивающих, так и сжимающих усилий. Высокая точность, хорошая стабильность и хорошая симметрия выходного сигнала.
Широко применяется в ленточных весах, бункерных весах, весах электро-механического типа, универсальных испытательных машинах, крюковых весах и различных инженерных устройствах для измерения усилий.
Габариты:
Корунд для шлифования нержавеющей стали
Металлообработка.
Температурная компенсация
Групповая мостовая схема.
Металлообрабатывающее производственное оборудование.
2-тонный весовой испытатель
500-тонный гидравлический сравнительный испытатель
ЧПУ-обработческий центр
Вакуумное термическое оборудование
Автоматическая машина для обесцелкивания проводов
ПРОФИЛЬ КОМПАНИИ
Shanghai QiYi Electrical & Mechanical Equipment Co., Ltd - это технологическая промышленная компания, интегрирующая разработку, производство, представительство и продажу. Наша компания специализируется на ротационных энкодерах, датчиках перемещения и датчиках близости под брендом CALT. У нас есть многолетний опыт поставки ротационных энкодеров и датчиков, которые широко используются в ЧПУ-станках, прокатных станах, системах линейных направляющих, гидравлических системах, подъемном оборудовании, турбинах и других отраслях. Расположенная в Шанхае, наша компания пользуется удобным воздушным, водным и наземным транспортом.
СЕРТИФИКАТЫ
Свяжитесь с нами
- Shanghai Qiyi Co., Ltd.
Категории товаров
Новые продукты
-
Оригинальный датчик веса tsc - 500 TSC на 500 кг
-
S type load cell - датчик сжимающей и растягивающей нагрузки 5000 кг, 3 т, 1 т
-
Популярный товар. Силоизмеритель S type на 1 тонну, датчик растягивающей и сжимающей силы
-
Хорошая цена на тензодатчик DYLY-102 S type на 100 кг
-
CALT DYLY-101 S-тип датчик веса на 5 тонн (5Т) для бункерных весов
-
Датчик натяжения и давления типа S DYLY - 103 с измерительным элементом на 2, 3 и 5 тонн
-
Динамический датчик силы усилия педали тормоза автомобиля DYTB-001-50kg для платформенных весов
-
DYTB-001-100kg Сенсор педального усилия, датчик силы торможения автомобиля, ступенчатый тензодатчик
-
Дешёвая фабричная цена датчика силы (сенсор давления) CALT DYTB-001 на 200 кг с диапазоном измерения 200 кг
-
Стенд для измерения нагрузки из легированной стали DYZL-101, высокоточный датчик усилия с номинальной нагрузкой 10, 20, 40, 50, 60 кН (1т, 2т, 4т, 5т, 6т), датчик растягивающей нагрузки
-
DYTB-001 200 кг педальный датчик силы веса
-
Высокоточный тензодатчик на растяжение и давление DYZ-014-50T для испытательной машины на прочность на разрыв
-
Датчик натяжения DYZHL Одноосный датчик натяжения Оптический волоконный текстильный кабель, стальной трос Измерение усилия Давление
-
DYTB - 001 40CR сплавной стальной плоский каркас датчик нагрузки для силы нажатия на педаль автомобиля 100 кг
-
DYZL-107 20 кг тензодатчик с тремя шкивами Сенсор используется в машиностроительной промышленности
-
Миниатюрный тензометрический датчик нагрузки на растяжение и сжатие с центральной винтовой шпилькой
-
Датчик растягивающей и сжимающей силы CALT 5 кг, 10 кг, 20 кг, 30 кг, 50 кг. Мини-датчик нагрузки
-
CALT датчик измерения толкающей силы, тензодатчик 5 кг, 10 кг, 20 кг, 100 кг, произведенный в Китае, DYMH - 103 для контроля веса
-
200 кг тензодатчики. Применение и теория датчиков сопротивления. Весовой датчик DYLY-106
-
Высокоточная малогабаритная тензодатчик на сжатие DYHW-116-100kg на 100 кг для электронной промышленности
-
CALT датчик веса преобразователь 0~5В 0~10В 4~20мА
-
10 тонн ограничитель перегрузки веса для электрического подъемника / однобалочного кранa
-
CALT датчик веса конвейера с ременным приводом типа сильфон из нержавеющей стали и сплава стали DYBW-106
-
CALT сильфонный консольный тензодатчик 10 кг 20 кг 30 кг 50 кг 100 кг 200 кг
Популярные поиски
- датчик пыли
- датчик движения
- фоторезистор; фотоэлемент; фоточувствительный датчик
- датчик автомобиля
- датчик давления
- датчик грузовика
- датчик ABS
- датчик скорости
- Датчик скорости колеса ABS
- Датчик положения распределительного вала
- Датчик положения коленчатого вала
- Датчик давления масла
- Датчик давления в коллекторе
- Автоматический датчик дверей
- автоматический датчик
- магнитный датчик
- Мощный преобразователь
- ультразвуковой преобразователь
- сенсорный выключатель
- Детекторный выключатель
- фотоэлемент
- микроволновой датчик
- Фотоэлектрический выключатель
- Датчик переключателя
- термистор
- автоматический датчик
- чувствительный; обнаружение; ощущение
- датчик тепла
- частотный преобразователь
Рекомендуемые продукты
- OEM/ODM датчики давления для автомобилей – высокая точность и прочный дизайн
- Датчик давления с цифровым выходом MS4525DO-DS5AI001DP
- Датчики скорости воздуха DLVR-L10D-E1BD-I-NI3N, продукты управления полетом, датчики давления беспилотного летательного аппарата, все датчики
- Реле давления Danfoss, KP36 060-214466
- Водяной клапан с термоуправлением Danfoss, AVTA 10, G, 3/8 003N1132
- Данфосс (Danfoss) Управление жидкостями ЭВА210А (EVA210A) 032Н8000 Электромагнитный клапан, ЭВ210А (EV210A), Функция: НЗ, G, 1/8, 0.04 м3/ч, ЭПДМ (EPDM)
- Данфосс датчик температуры MBT113/120/110/100 MBT150
- DANFOSS ДАТЧИК ДАВЛЕНИЯ MBS3050 MBS3100
- Danfoss MBS2050/2150/2200/2250/MBS3000
- Данфосс датчик давления 084G4142
- GE промышленный вибрационный преобразователь 344A9322G001
- Брендовый новый оригинальный датчик вибрации GE 344A9322G001
Найти похожие продукты по категории
- Электрические и электронные товары > Датчик > Датчик давления
- Please Enter your Email Address
- Please enter the content for your inquiry.
We will find the most reliable suppliers for you according to your description.
Send Now-
sales
Привет! Добро пожаловать в мой магазин. Сообщите, если у вас есть вопросы.
Ваше сообщение превысило лимит.
- Свяжитесь с поставщиком для получения наименьшей цены
- Персонализированный запрос
- Запросить образец
- Запросить Бесплатные Каталоги
Ваше сообщение превысило лимит.
-
Количество покупки
-
*Детали закупок
Содержание вашего запроса должно быть от 10 до 5000 символов.
-
*Электронная почта
Пожалуйста, введите свою действительную адрес электронной почты.
-
Мобильный
CALT s type load cell 5KG 5T
TSC-500 TSC-300 TSC-50 TSC-100 TSC-200 TSC-1000 КГ тензодатчик
Дешевый весовой датчик (силоизмеритель) S-Type малой емкости на 1000 кг
Китайский весовой датчик тензодатчик 50 кг S-типа для малогабаритных весов
DYLY-103 электронные весы с тензодатчиком на 500 кг























Оригинальный датчик веса tsc - 500 TSC на 500 кг
S type load cell - датчик сжимающей и растягивающей нагрузки 5000 кг, 3 т, 1 т
Популярный товар. Силоизмеритель S type на 1 тонну, датчик растягивающей и сжимающей силы
Хорошая цена на тензодатчик DYLY-102 S type на 100 кг
CALT DYLY-101 S-тип датчик веса на 5 тонн (5Т) для бункерных весов
Датчик натяжения и давления типа S DYLY - 103 с измерительным элементом на 2, 3 и 5 тонн
Динамический датчик силы усилия педали тормоза автомобиля DYTB-001-50kg для платформенных весов
Стенд для измерения нагрузки из легированной стали DYZL-101, высокоточный датчик усилия с номинальной нагрузкой 10, 20, 40, 50, 60 кН (1т, 2т, 4т, 5т, 6т), датчик растягивающей нагрузки
DYTB-001 200 кг педальный датчик силы веса
Высокоточный тензодатчик на растяжение и давление DYZ-014-50T для испытательной машины на прочность на разрыв
Датчик натяжения DYZHL Одноосный датчик натяжения Оптический волоконный текстильный кабель, стальной трос Измерение усилия Давление
DYZL-107 20 кг тензодатчик с тремя шкивами Сенсор используется в машиностроительной промышленности
Миниатюрный тензометрический датчик нагрузки на растяжение и сжатие с центральной винтовой шпилькой
Датчик растягивающей и сжимающей силы CALT 5 кг, 10 кг, 20 кг, 30 кг, 50 кг. Мини-датчик нагрузки
CALT датчик измерения толкающей силы, тензодатчик 5 кг, 10 кг, 20 кг, 100 кг, произведенный в Китае, DYMH - 103 для контроля веса
200 кг тензодатчики. Применение и теория датчиков сопротивления. Весовой датчик DYLY-106
Высокоточная малогабаритная тензодатчик на сжатие DYHW-116-100kg на 100 кг для электронной промышленности
CALT датчик веса преобразователь 0~5В 0~10В 4~20мА
10 тонн ограничитель перегрузки веса для электрического подъемника / однобалочного кранa
CALT датчик веса конвейера с ременным приводом типа сильфон из нержавеющей стали и сплава стали DYBW-106
CALT сильфонный консольный тензодатчик 10 кг 20 кг 30 кг 50 кг 100 кг 200 кг